| État de disponibilité: | |
|---|---|
| Quantité: | |
YX20,35,40-110,160,200
BMS
8455221000
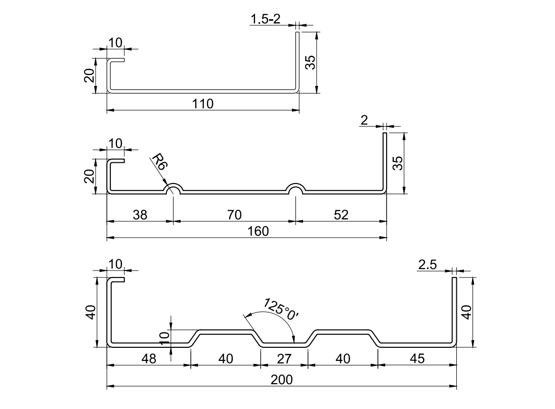
Profil
| Matériel | Matériel applicable | Feuille laminée à froid |
Épaisseur de matériau | 1,2 mm/1,5 mm/2,0 mm/2,5 mm | |
Avec limite d'élasticité | 310-440Mpa | |
| Bobine | Largeur d'alimentation | 600mm |
Plage d'identification de bobine | 508 mm ± 30 mm | |
Capacité | Max.5 tonnes. | |
Machine | Châssis de base | Acier de type H450 par soudure. |
| Épaisseur des parois latérales | Q235 t25mm | |
Matériau du rouleau | Acier GCr15 (= acier EN31), usiné avec précision, traitement thermique, HRC58-62 | |
Station à rouleaux | 18 étapes pour former | |
Diamètre de l'arbre | ф80mm, traitement haute fréquence | |
Coupeur | Dureté | Traitement thermique au degré HRC58-62 |
Tolérance de coupe | ≤ ± 1 mm | |
| Pouvoir | Voie de conduite | Transmission à engrenages/pignons |
| Moteur principal | 18,5 kW, contrôle de vitesse de fréquence | |
| Moteur de pompe pour coupeur | 5,5 kW | |
Système de contrôle PLC | Onduleur | Schneider Electric/DELTA (marque taïwanaise) |
Écran tactile | WEINVIEW (marque taïwanaise) | |
Encodeur | KOYO (marque japonaise) ou OMRON (marque japonaise) | |
Tension de contrôle | 24V |
1. Une machine pour multi-profils : n'importe quelle taille dans l'âme 60-200mm et la bride 20-40mm), économisant l'investissement et l'espace ;Conception de changement de taille automatique pour une efficacité de travail élevée.
2. Le rouleau est trempé après un usinage fin avec de l'acier à roulement GCr15 (= acier EN31) et chromé dur pour une longue durée de vie de plus de 10 ans.
3. Moulin de formage de rouleaux principal (changement de taille automatique)
Dérouleur hydraulique 5T → Dispositif de mise à niveau →Dispositif de guidage du servomoteur→Perforateur
Système de formage de rouleaux → Dispositif de coupe de poteaux hydraulique → Rack de sortie
Technique spécificationns
1) 5T Dérouleur hydraulique : un ensemble
Retrait et arrêt intérieurs d'alésage de bobine en acier de contrôle hydraulique
Largeur d'alimentation maximale : 600mm
Plage d'identification de bobine :508 ± 30 mm,Diamètre extérieur:1500mm
Moteur de pompe à huile :2,2 kW
Capacité:Max.5 tonnes
Ajoutez une puissance d'alimentation automatique et un dispositif d'arrêt automatique
En haut Trois vers le bas Quatre totalement Sept dispositif de nivellement à rouleaux
Avec guidage du matériau d'alimentation, châssis en H450 taper l'acier par soudage
Arbres fabriqués à partir de Acier 45#,Traitement thermique de trempe et de revenu, chromage dur.Diamètre=φ90mm, usiné avec précision
3) Servomoteur et poinçonneuse
125 tonnes Poinçonneuse HAUTE VITESSE avant le profilage, équipée d'un ensemble de modèles de poinçonnage. Poinçonneuse quatre côtés avec couvercle de sécurité et un côté avec ouverture de la porte. Par contrôle du système PLC.

4) M principalachine
Rouleaux fabriqués en acier à roulement GCr15 (=acier EN31), usiné avec précision, revêtement chromé dur ; avec une épaisseur de 0,04 mm, surface avec traitement miroir (pour une durée de vie plus longue et antirouille) ;
Cadre de carrosserie en 450#H taper l'acier par soudage
Vitesse de formage : environ 20 m/min
5) Hydraulique Coupe-poste
Poste à couper, arrêt de coupe, type de lame de coupe en trois pièces.
Moteur hydraulique:5,5 kW;Pression de coupe :0-16Mpa
Matériau de l'outil de coupe :Cr12MoV (= acier SKD11),Traitement thermique à HRC58-62
Avec au moins un million de fois de vie coupée
La puissance de coupe est fournie par la station hydraulique du moteur principal
6) Système de contrôle PLC
Contrôlez automatiquement la quantité et la longueur de coupe.
Saisissez les données de production (lot de production, pièces, longueur, etc.) sur l'écran tactile.
Il peut terminer la production automatiquement.
Combiné avec : PLC, onduleur, écran tactile, encodeur, etc.
7) Quitter le rack:
Non alimenté, deux unités, avec des rouleaux pour un déplacement facile
8) Exposition de produits
Méthode d'emballage:Le corps principal de la machine est nu et recouvert d'un film plastique (pour protéger de la poussière et de la corrosion),chargé dans un conteneur et fixé de manière stable dans un conteneur adapté par une corde en acier et un verrou, adapté au transport longue distance.

Service après-vente
1. Le la garantie est 24 mois après que le client ait reçu la machine.
Dans les 24 mois, nous enverrons gratuitement les pièces de rechange au client.
2. Nous offrons une assistance technique pendant toute la durée de vie de nos machines.
3. Nous pouvons envoyer nos techniciens installer et former les travailleurs dans les usines des clients avec coût supplémentaire.

Profil
| Matériel | Matériel applicable | Feuille laminée à froid |
Épaisseur de matériau | 1,2 mm/1,5 mm/2,0 mm/2,5 mm | |
Avec limite d'élasticité | 310-440Mpa | |
| Bobine | Largeur d'alimentation | 600mm |
Plage d'identification de bobine | 508 mm ± 30 mm | |
Capacité | Max.5 tonnes. | |
Machine | Châssis de base | Acier de type H450 par soudure. |
| Épaisseur des parois latérales | Q235 t25mm | |
Matériau du rouleau | Acier GCr15 (= acier EN31), usiné avec précision, traitement thermique, HRC58-62 | |
Station à rouleaux | 18 étapes pour former | |
Diamètre de l'arbre | ф80mm, traitement haute fréquence | |
Coupeur | Dureté | Traitement thermique au degré HRC58-62 |
Tolérance de coupe | ≤ ± 1 mm | |
| Pouvoir | Voie de conduite | Transmission à engrenages/pignons |
| Moteur principal | 18,5 kW, contrôle de vitesse de fréquence | |
| Moteur de pompe pour coupeur | 5,5 kW | |
Système de contrôle PLC | Onduleur | Schneider Electric/DELTA (marque taïwanaise) |
Écran tactile | WEINVIEW (marque taïwanaise) | |
Encodeur | KOYO (marque japonaise) ou OMRON (marque japonaise) | |
Tension de contrôle | 24V |
1. Une machine pour multi-profils : n'importe quelle taille dans l'âme 60-200mm et la bride 20-40mm), économisant l'investissement et l'espace ;Conception de changement de taille automatique pour une efficacité de travail élevée.
2. Le rouleau est trempé après un usinage fin avec de l'acier à roulement GCr15 (= acier EN31) et chromé dur pour une longue durée de vie de plus de 10 ans.
3. Moulin de formage de rouleaux principal (changement de taille automatique)
Dérouleur hydraulique 5T → Dispositif de mise à niveau →Dispositif de guidage du servomoteur→Perforateur
Système de formage de rouleaux → Dispositif de coupe de poteaux hydraulique → Rack de sortie
Technique spécificationns
1) 5T Dérouleur hydraulique : un ensemble
Retrait et arrêt intérieurs d'alésage de bobine en acier de contrôle hydraulique
Largeur d'alimentation maximale : 600mm
Plage d'identification de bobine :508 ± 30 mm,Diamètre extérieur:1500mm
Moteur de pompe à huile :2,2 kW
Capacité:Max.5 tonnes
Ajoutez une puissance d'alimentation automatique et un dispositif d'arrêt automatique
En haut Trois vers le bas Quatre totalement Sept dispositif de nivellement à rouleaux
Avec guidage du matériau d'alimentation, châssis en H450 taper l'acier par soudage
Arbres fabriqués à partir de Acier 45#,Traitement thermique de trempe et de revenu, chromage dur.Diamètre=φ90mm, usiné avec précision
3) Servomoteur et poinçonneuse
125 tonnes Poinçonneuse HAUTE VITESSE avant le profilage, équipée d'un ensemble de modèles de poinçonnage. Poinçonneuse quatre côtés avec couvercle de sécurité et un côté avec ouverture de la porte. Par contrôle du système PLC.

4) M principalachine
Rouleaux fabriqués en acier à roulement GCr15 (=acier EN31), usiné avec précision, revêtement chromé dur ; avec une épaisseur de 0,04 mm, surface avec traitement miroir (pour une durée de vie plus longue et antirouille) ;
Cadre de carrosserie en 450#H taper l'acier par soudage
Vitesse de formage : environ 20 m/min
5) Hydraulique Coupe-poste
Poste à couper, arrêt de coupe, type de lame de coupe en trois pièces.
Moteur hydraulique:5,5 kW;Pression de coupe :0-16Mpa
Matériau de l'outil de coupe :Cr12MoV (= acier SKD11),Traitement thermique à HRC58-62
Avec au moins un million de fois de vie coupée
La puissance de coupe est fournie par la station hydraulique du moteur principal
6) Système de contrôle PLC
Contrôlez automatiquement la quantité et la longueur de coupe.
Saisissez les données de production (lot de production, pièces, longueur, etc.) sur l'écran tactile.
Il peut terminer la production automatiquement.
Combiné avec : PLC, onduleur, écran tactile, encodeur, etc.
7) Quitter le rack:
Non alimenté, deux unités, avec des rouleaux pour un déplacement facile
8) Exposition de produits
Méthode d'emballage:Le corps principal de la machine est nu et recouvert d'un film plastique (pour protéger de la poussière et de la corrosion),chargé dans un conteneur et fixé de manière stable dans un conteneur adapté par une corde en acier et un verrou, adapté au transport longue distance.

Service après-vente
1. Le la garantie est 24 mois après que le client ait reçu la machine.
Dans les 24 mois, nous enverrons gratuitement les pièces de rechange au client.
2. Nous offrons une assistance technique pendant toute la durée de vie de nos machines.
3. Nous pouvons envoyer nos techniciens installer et former les travailleurs dans les usines des clients avec coût supplémentaire.
