| État de disponibilité: | |
|---|---|
| Quantité: | |
YX14.3-30.25 & YX18.5-21.4
BMS
Greenhouse C Profile Roll Forming Machine
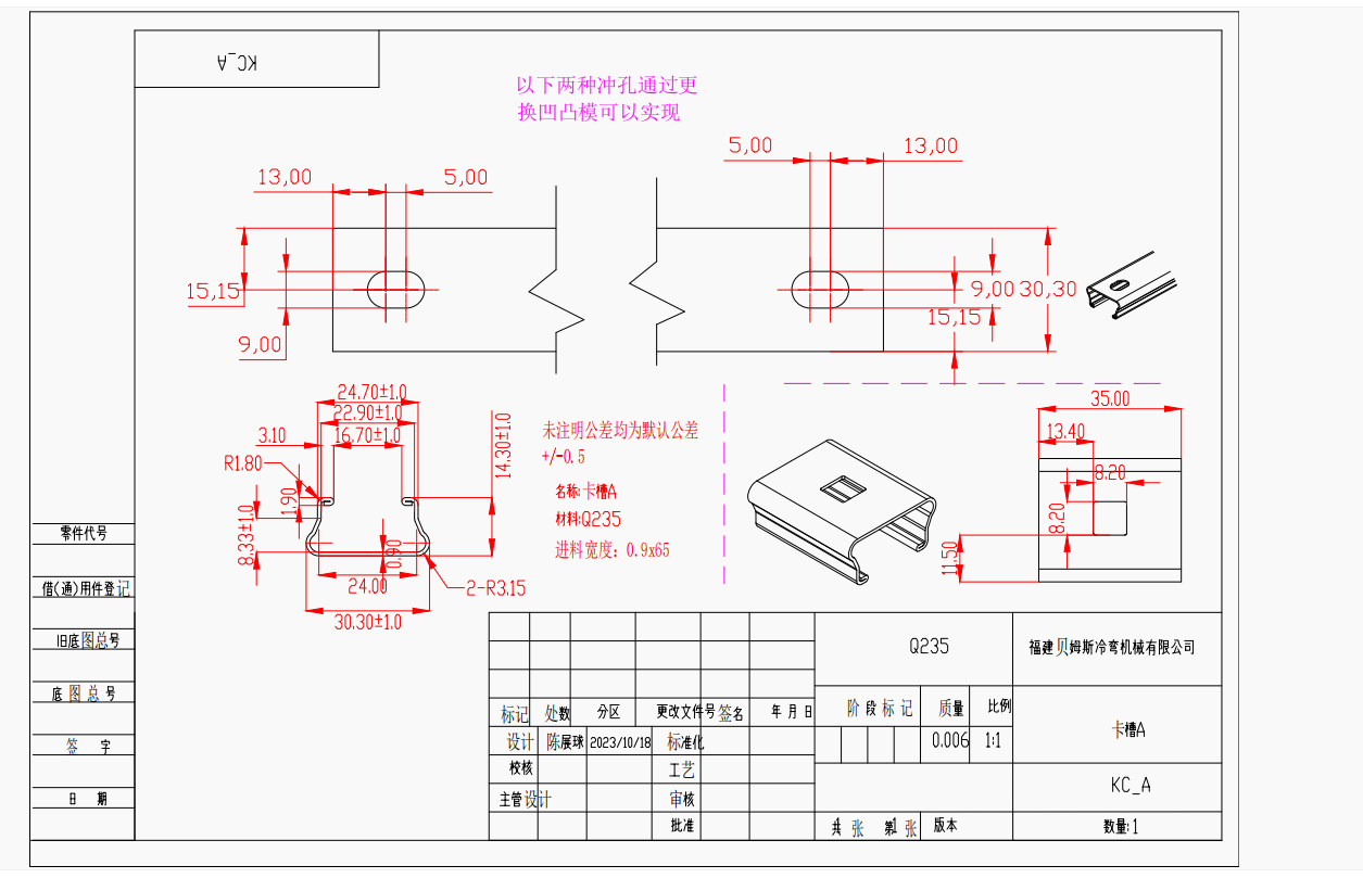
Profil
Profil E1
Profil 2
| Matériel | Matériel applicable | Magnelis DX51 |
Épaisseur de matériau | 0,9 et 1,9 mm | |
Avec la limite d'élasticité | Q235-345MPA | |
Machine | Cadre de base | H300 + H200 de type acier par soudage. |
| Épaisseur de paroi latérale | Q235 T28mm | |
Matériau à rouleau | Acier de roulement GCR15 (= en acier EN31), précision usinée, enduit de chrome dur | |
Station-service | 22 étapes et 16 étapes pour former | |
Diamètre de l'arbre | ф50 mm, traitement à haute fréquence | |
| Pouvoir | Conduite | Transmission d'équipement / pignon |
| Moteur principal | 11 kW, contrôle de la vitesse de fréquence | |
Système de contrôle PLC | Onduleur | Delta / Taiwan Shilin / Schneider |
Écran tactile | Weinview / Siemens / Schneider | |
Encodeur | Koyo (marque japonaise) ou Omron (marque japonaise) | |
Tension de contrôle | 24V |
Demi-Opiler → Dispositif d'alimentation et de nivellement → Dispositif de pré-coupe et de poinçonnage hydrué
Spécifications techniques
1) Décoler hydraulique : un ensemble
Contrôler automatiquement le retrait et l'arrêt de l'alésage intérieur en acier,
Avec armoire de commande électrique
Max. Largeur d'alimentation: 600 mm, plage d'ID de bobine: 470 - 560 mm.
Capacité maximale: 5 tonnes, pas de puissance d'alimentation, moteur hydraulique: 2,2KW
Avec un guide de matériau d'alimentation et 7 rouleaux (3 rouleaux supérieurs et 4 rouleaux vers le bas) pour le listenance et le nivellement
Avec dispositif de perfusion, matériau de matrice: acier D2, traitement thermique
Crame de carrosserie en acier H300 # de type par soudage;
Frame de carrosserie à cassette en acier de type 200 # H par soudage
Épaisseur de paroi latérale: 18 mm
Rouleaux fabriqués à partir d' acier de roulement GCR15 (= en acier en31) , en revêtement en chromé dur, enduit dur
Conduite du moteur, transmission de la chaîne de vitesse, environ 22 +16 étapes pour former
Moteur principal = 11 kW , contrôle de vitesse de fréquence
Vitesse de production env. 11 m / min (y compris le temps de coup de poing et de coupe)
3) Dispositif de coupe de poteau hydraulique
Pré-coup et pré-coupe, utilisez le même système hydraulique
Moteur hydraulique: 4 kW , plage de pression hydraulique: 16MPA
4) Système de contrôle PLC
Contrôlez automatiquement la quantité et la longueur de coupe.
Entrez les données de production (lot de production, PC, longueur, etc.) sur l'écran tactile.
Il peut terminer la production automatiquement.
Combiné avec: PLC, onduleur, écran tactile, encodeur, etc.
5) Rack de sortie
6) les produits montrent
Méthode d'emballage: Le corps principal de la machine est nu et recouvert d'un film plastique (pour protéger la poussière et la corrosion), chargé dans un récipient et régulièrement fixé dans un récipient adapté à la corde et à la verrouillage en acier, adapté au transport à longue distance.

Service après-vente
1. La garantie est 24 des mois après que le client a reçu la machine.
Au cours des 24 mois, nous ferons gratuitement les pièces de remplacement au client.
2. Nous offrons un soutien technique à toute la vie de nos machines.
3. Nous pouvons envoyer nos techniciens pour installer et former les travailleurs dans les usines des clients avec un coût supplémentaire.

Greenhouse C Profile Roll Forming Machine
Profil
Profil E1
Profil 2
| Matériel | Matériel applicable | Magnelis DX51 |
Épaisseur de matériau | 0,9 et 1,9 mm | |
Avec la limite d'élasticité | Q235-345MPA | |
Machine | Cadre de base | H300 + H200 de type acier par soudage. |
| Épaisseur de paroi latérale | Q235 T28mm | |
Matériau à rouleau | Acier de roulement GCR15 (= en acier EN31), précision usinée, enduit de chrome dur | |
Station-service | 22 étapes et 16 étapes pour former | |
Diamètre de l'arbre | ф50 mm, traitement à haute fréquence | |
| Pouvoir | Conduite | Transmission d'équipement / pignon |
| Moteur principal | 11 kW, contrôle de la vitesse de fréquence | |
Système de contrôle PLC | Onduleur | Delta / Taiwan Shilin / Schneider |
Écran tactile | Weinview / Siemens / Schneider | |
Encodeur | Koyo (marque japonaise) ou Omron (marque japonaise) | |
Tension de contrôle | 24V |
Demi-Opiler → Dispositif d'alimentation et de nivellement → Dispositif de pré-coupe et de poinçonnage hydrué
Spécifications techniques
1) Décoler hydraulique : un ensemble
Contrôler automatiquement le retrait et l'arrêt de l'alésage intérieur en acier,
Avec armoire de commande électrique
Max. Largeur d'alimentation: 600 mm, plage d'ID de bobine: 470 - 560 mm.
Capacité maximale: 5 tonnes, pas de puissance d'alimentation, moteur hydraulique: 2,2KW
Avec un guide de matériau d'alimentation et 7 rouleaux (3 rouleaux supérieurs et 4 rouleaux vers le bas) pour le listenance et le nivellement
Avec dispositif de perfusion, matériau de matrice: acier D2, traitement thermique
Crame de carrosserie en acier H300 # de type par soudage;
Frame de carrosserie à cassette en acier de type 200 # H par soudage
Épaisseur de paroi latérale: 18 mm
Rouleaux fabriqués à partir d' acier de roulement GCR15 (= en acier en31) , en revêtement en chromé dur, enduit dur
Conduite du moteur, transmission de la chaîne de vitesse, environ 22 +16 étapes pour former
Moteur principal = 11 kW , contrôle de vitesse de fréquence
Vitesse de production env. 11 m / min (y compris le temps de coup de poing et de coupe)
3) Dispositif de coupe de poteau hydraulique
Pré-coup et pré-coupe, utilisez le même système hydraulique
Moteur hydraulique: 4 kW , plage de pression hydraulique: 16MPA
4) Système de contrôle PLC
Contrôlez automatiquement la quantité et la longueur de coupe.
Entrez les données de production (lot de production, PC, longueur, etc.) sur l'écran tactile.
Il peut terminer la production automatiquement.
Combiné avec: PLC, onduleur, écran tactile, encodeur, etc.
5) Rack de sortie
6) les produits montrent
Méthode d'emballage: Le corps principal de la machine est nu et recouvert d'un film plastique (pour protéger la poussière et la corrosion), chargé dans un récipient et régulièrement fixé dans un récipient adapté à la corde et à la verrouillage en acier, adapté au transport à longue distance.

Service après-vente
1. La garantie est 24 des mois après que le client a reçu la machine.
Au cours des 24 mois, nous ferons gratuitement les pièces de remplacement au client.
2. Nous offrons un soutien technique à toute la vie de nos machines.
3. Nous pouvons envoyer nos techniciens pour installer et former les travailleurs dans les usines des clients avec un coût supplémentaire.
